z45x暗杆弹性座封闸阀(软密封闸阀),零用阀门整体包胶产生变形补偿作用达到良好的密封效果,克服了一般闸阀密封不良、漏水和生锈的现象,更有效的节约安装空间。 可广泛用于自来水、污水、建筑、石油、化工、食品、医药、轻纺、电力、船舶、治金、能源系统等流体管线上作为调节和截流装置使用。
z45x暗杆软密封闸阀厂家-凯利科阀门有限公司!询价电话:31001158
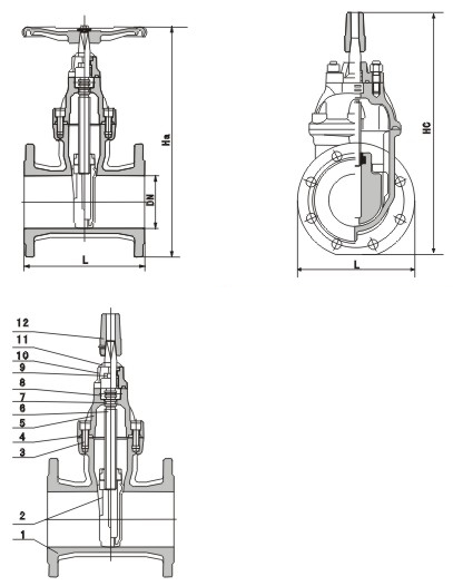
z45x暗杆软密封闸阀主要技术参数
公称压力:1.0~2.5MPa
工作温度:0~80℃
法兰标准:GB/T 17241.6 GB9113
公称通经:50~600mm
适用介质:水、油、气等
试验标准:GB13927 AP1598
z45x暗杆软密封闸阀主要零部件材料
|
材 料
|
|
灰 铸 铁、球 墨 铸 铁、铸 钢
|
|
球 墨 铸 铁 外 覆 三 元 乙 丙 或 丁 腈 橡 胶
|
|
碳 化 处 理
|
|
丁 腈 橡 胶
|
|
灰 铸 铁、球 墨 铸 铁、铸 钢
|
|
不 锈 钢
|
|
丁 腈 橡 胶
|
|
锡 青 铜
|
|
不 锈 钢
|
|
球 墨 铸 铁、铸 钢
|
|
丁 腈 橡 胶
|
|
铸 铁
|
|
50
|
80
|
125
|
200
|
300
|
400
|
500
|
L
|
190
|
229
|
267
|
330
|
381
|
432
|
508
|
|
313
|
372
|
497
|
680
|
948
|
1220
|
1480
|
HC
|
375
|
476
|
600
|
875
|
1050
|
1310
|
1750
|
