广发体育,广发(中国)
公司介绍
新闻中心
组织机构
服务理念
售后服务
联系我们
产品中心
jtgk.png

产品中心

D641F46气动法兰衬氟蝶阀

您的位置:阀门 - 蝶阀 - D641F46气动法兰衬氟蝶阀 更新时间:2025-07-09 08:07:39
D641F46气动法兰衬氟蝶阀
    • 质量安全:压力、材质、密封等全方位检测确保质量过关!
    • 价格比较:在相同品质的情况下,厂里直销,更具有优势!
    • 交货快捷:常规产品现货供应,生产加工销售一条龙服务!
      上海凯利科阀门致力于高品质阀门的设计、研发、生产销售服务于一体的大型阀门企业,科技创新,永不止步,与您携手共创辉煌...

    • 产品描述
    • 在线询价
    • 技术咨询
    D641F46气动法兰衬氟蝶阀D641F46气动法兰衬氟蝶阀

    D641F46气动法兰衬氟蝶阀广泛用于防腐管道系统上。主要用以实现阀门的开启、关闭与调节。全衬聚四氟乙烯(F4)、聚三氟氯乙烯(F3)和聚全氟乙丙烯(F46)氟塑料衬里阀,具有耐腐蚀、无泄漏、寿命长等优点。 适用于浓硫酸、盐酸、硝酸、氢氟酸、王水、各种有机酸、强酸、氧化性介质或高温烯硫酸、高温浓醋酸、酸碱交替及多种有机溶剂和其它强腐蚀性介质。

    产品名称: 气动法兰衬氟蝶阀 产品型号: D641F46
    公称通径: DN40~DN1200 阀座密封: F4、F46
    公称压力: 1.0Mpa~1.6MPa 连接方式: 对夹式、法兰式
    适用温度: -25ºC~+150ºC 驱动方式: 手动、蜗轮、电动、气动
    阀体材质: 铸铁、铸钢、不锈钢 制造标准: 国标GB、德国DIN、美国API、ANSI
    适用介质: 强酸、碱、硫酸、王水腐蚀性液体 生产厂家: 广发体育,广发(中国)

    产品说明

    D641F46气动法兰衬氟蝶阀广泛用于防腐管道系统上。主要用以实现阀门的开启、关闭与调节。全衬聚四氟乙烯(F4)、聚三氟氯乙烯(F3)和聚全氟乙丙烯(F46)氟塑料衬里阀,具有耐腐蚀、无泄漏、寿命长等优点。 适用于浓硫酸、盐酸、硝酸、氢氟酸、王水、各种有机酸、强酸、氧化性介质或高温烯硫酸、高温浓醋酸、酸碱交替及多种有机溶剂和其它强腐蚀性介质。

    产品特点

    1、中线蝶阀为整个蝶板与阀座在360°圆周内同心(中线),具有双向密封功能,压力,流量可自由调节;
    2、四级加载弹性密封,绝对保证了阀门内、外的零泄漏;
    a、轴头、蝶板园周连接处的特殊过渡曲线与阀座的合理过盈;
    b、轴头端面采用弹性O型圈和轴肩处刚性垫圈、弹性橡胶垫组合;
    c、轴的径向采用O型圈与金属垫的组合;
    d、阀座镶在有弹性条的阀体的槽内;
    3、采用可调弹性弹子定位。定位准确,结构简单。

    应用标准

    设计标准 GB12238
    结构长度 GB12221
    法兰标准 JB/T79-94
    GB9113.1-26
    检验试验 GB/T13927
    驱动方式 蜗轮、手动、电动、气动

    性能规范

    零件名称 材料
    上下阀体 铸铁、铸钢、不锈钢、衬F46、F4
    阀座 铸钢
    带杆蝶板 铸钢、不锈钢、衬F46、F4
    填料 F4
    衬垫 硅橡胶
    蜗轮手柄 球墨铸铁

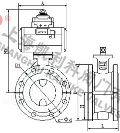
    外形结构图


    主要外形尺寸

    公称通经(DN) 主要尺寸 法兰尺寸
    L L1 H H1 A 1.0MPa 1.6MPa
    D D1 n-Фd D D1 n-Фd
    50 108 43 63 315 180 165 125 4-18 165 125 4-18
    65 112 46 70 330 180 185 145 4-18 185 145 4-18
    80 114 46 83 390 245 200 160 4-18 200 160 8-18
    100 127 52 105 431 240 220 180 8-18 220 180 8-18
    125 140 56 115 455 240 250 210 8-18 250 210 8-18
    150 140 56 137 626 350 285 240 8-22 285 240 8-22
    200 152 60 164 720 350 340 295 8-22 340 295 12-22
    250 165 68 206 800 550 395 350 12-22 405 355 12-26
    300 178 78 230 860 600 445 400 12-22 460 410 12-26
    350 190 78 248 883 600 505 460 16-22 520 470 12-26
    400 216 102 289 972 600 565 515 16-26 580 525 16-26
    450 222 114 320 1043 750 615 565 20-26 640 585 16-30
    500 229 127 342 1098 750 670 620 20-26 715 650 20-30
    600 267 154 413 1236 750 780 725 20-30 840 770 20-33
    700 430 165 478 1431 750 895 840 24-30 910 840 24-36
    800 470 190 525 1488 750 1015 950 24-33 1025 950 24-39
    900 510 203 585 1615 1250 1115 1050 28-33 1125 1050 28-39
    1000 550 216 640 1765 1500 1230 1160 28-36 1255 1170 28-42
    1200 630 254 755 1976 1500 1455 1380 32-39 1485 1390 32-48
     

    声明:【D641F46气动法兰衬氟蝶阀】规格型号、结构尺寸由广发体育,广发(中国)提供,如何选择适用的D641F46气动法兰衬氟蝶阀产品,使之在工艺控制中安全可靠、经济适用,可致电我司销售部门及技术部门,我们将在最短的时间内为您解答!

    

    Copyright ©2011-2023 广发体育,广发(中国),版权所有。 沪ICP备11046016号-29 网站地图

    销售电话:021-31001158

    手机号码:13816746668 陈国辉/经理

    电子邮件:klkvalves@126.com@126.com

    主营产品:球阀,闸阀,蝶阀,截止阀,止回阀,调节阀

    本周热门:不锈钢阻火器全天候呼吸阀气动球阀气动蝶阀气动刀闸阀气动调节阀电动球阀电动蝶阀电动刀闸阀电动调节阀不锈钢球阀不锈钢闸阀不锈钢截止阀不锈钢止回阀不锈钢电磁阀高压电磁阀高压球阀波纹管截止阀

    官方网址:www.raphc.com