广发体育,广发(中国)
公司介绍
新闻中心
组织机构
服务理念
售后服务
联系我们
产品中心
jtgk.png

产品中心

D671J气动衬胶蝶阀

您的位置:阀门 - 蝶阀 - D671J气动衬胶蝶阀 更新时间:2025-07-09 08:07:33
D671J气动衬胶蝶阀
    • 质量安全:压力、材质、密封等全方位检测确保质量过关!
    • 价格比较:在相同品质的情况下,厂里直销,更具有优势!
    • 交货快捷:常规产品现货供应,生产加工销售一条龙服务!
      上海凯利科阀门致力于高品质阀门的设计、研发、生产销售服务于一体的大型阀门企业,科技创新,永不止步,与您携手共创辉煌...

    • 产品描述
    • 在线询价
    • 技术咨询
    D671J气动衬胶蝶阀D671J气动衬胶蝶阀

    D671J气动衬胶蝶阀适用于温度≤150℃,弱腐蚀或洁净度有一定要求工况,在食品、医药、化工、石油、电力、轻纺、造纸等给排水、气体管道上作调节流量和截流介质的作用。

    产品名称: 气动衬胶蝶阀 产品型号: D671J
    公称通径: DN50~DN1200 阀座密封: 三元乙丙
    公称压力: 1.0Mpa~1.6MPa 连接方式: 对夹、法兰
    适用温度: -20ºC~+150ºC 驱动方式: 手动、蜗轮、电动、气动
    阀体材质: 铸铁、球墨铸铁、铸钢、不锈钢 制造标准: 国标GB、德国DIN、美国API、ANSI
    适用介质: 空气、水、污水、蒸气、煤气、油品 生产厂家: 广发体育,广发(中国)

    产品说明

    D671J气动衬胶蝶阀适用于温度≤150℃,弱腐蚀或洁净度有一定要求工况,在食品、医药、化工、石油、电力、轻纺、造纸等给排水、气体管道上作调节流量和截流介质的作用。

    产品特点

    1、密封件可以更换,密封性能可靠达到双向密封零泄漏。
    2、操力矩小,操作方便,省力灵巧。
    3、可以任何位置安装,维修方便。
    4、设计新颖、合理、结构独特,重量轻,启闭迅速。
    5、密封材料耐老化、耐弱腐蚀,使用寿命长等特点。

    主要技术参数

    公称通径 DN(mm) 50~2000
    公称压力 PN(MPa) 0.6 1.0 1.6
    试验压力 强度试验 0.9 1.5 2.4
    密封试验 0.66 1.1 1.76
    气密封试验 0.6 0.6 0.6
    适用介质 空气、水、污水、蒸气、煤气、油品等。
    驱动形式 手动、蜗杆蜗轮传动、气动、电动。

    主要零件材料

    零件名称 材料
    阀体 球墨铸铁、铸钢、合金钢、不锈钢
    蝶板 不锈钢2507、1.4529、球铁衬胶及特殊材料
    密封圈 各种橡胶、聚四氟
    阀杆 2Cr13、不锈钢、不锈钢2507、1.4529
    填料 O型圈、柔性石墨O

    密封材料选用和适用温度

    材料品种 氯丁橡胶 丁晴橡胶 乙丙橡胶 聚四氟乙烯 硅橡胶 氟橡胶 天然橡胶
    英语简称 CR NBR EPDM PTFE SI VITON NR
    型号代号 X或J XA或JA XB或JB F或XC、JC XD或JD XE或JE X1
    耐最高温度 82℃ 93℃ 150℃ 232℃ 250℃ 204℃ 85℃
    耐最低温度 -40℃ -40℃ -40℃ -268℃ -70℃ -23℃ -20℃
    适用工作温度 0~+80℃ -20~+82℃ -40~+125℃ -30~+150℃ -70~+150℃ -23~+150℃ -20~+85℃

    气动执行器

    执行器型号 GT、AT、AR、AW系列单双作用气动执行器
    供气压力 0.4~0.7MPa
    气源接口 G1/4"、G1/8"、G3/8"、G1/2"
    环境温度 -30~+70℃
    作用形式 单作用执行机构:气关式(B)--失气时阀位开(FO);气开式(K)--失气时阀位关(FC)
    双作用执行机构:气关式(B)--失气时阀位保持(FL);气开式(K)-- 失气时阀位保持(FL)
    可配附件 定位器、电磁阀、空气过滤减压器、保位阀、行程开关、阀位传送器、手轮机构等
    采用新型系列气动执行器,有双作用式和单作用式(弹簧复位),齿轮齿条传动,安全可靠;大口径阀门采用系列AW型气动执行器拔叉式传动,结构合理,输出扭矩大,有双作用式和单作用式。
    1、齿轮式双活塞,输出力矩大,体积小。
    2、气缸选用铝金材料,重量轻、外形美观。
    3、可在顶部、底部安装手动操作机构。
    4、齿条式连接可调节开启角度、额定流量。
    5、执行器可选带电讯号反馈指示及各类附件以实现自动化操作。
    6、IS05211标准连接为产品的安装更换提供了方便。
    7、两端调的节螺钉可使标准产品在0°和90°有±4°的可调范围。确保与阀门的同步精度。

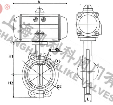
    外形结构图

    主要外形连接尺寸

    公称通径 长度 外形尺寸(参考值) 连接尺寸(标准值)
    0.6MPa 1.0MPa 1.6MPa
    毫米 英寸 L H1 H2 A D D1 n-d D D1 n-d D D1 n-d
    50 2 43 63 315 180 140 110 4-14 165 125 4-18 165 125 4-18
    65 21/2 46 70 330 180 160 130 4-14 185 145 4-18 185 145 4-18
    80 3 46 83 390 245 190 150 4-18 200 160 8-18 200 160 8-18
    100 4 52 105 431 240 210 170 4-18 220 180 8-18 220 180 8-18
    125 5 56 115 455 240 240 200 8-18 250 210 8-18 250 210 8-18
    150 6 56 137 626 350 265 225 8-18 285 240 8-22 285 240 8-22
    200 8 60 164 720 350 320 280 8-18 340 295 8-22 340 295 12-22
    250 10 68 206 800 550 375 335 12-18 395 350 12-22 405 355 12-26
    300 12 78 230 860 600 440 395 12-22 445 400 12-22 460 410 12-26
    350 14 78 248 883 600 490 445 12-22 505 460 16-22 520 470 16-26
    400 16 102 289 972 600 540 495 16-22 565 515 16-26 580 525 16-30
    450 18 114 320 1043 750 595 550 16-22 615 565 20-26 640 585 20-30
    500 20 127 343 1098 750 645 600 20-22 670 620 20-26 715 650 20-33
    600 24 154 413 1236 750 755 705 20-26 780 725 20-30 840 770 20-36
    700 28 165 478 1431 750 860 810 24-26 895 840 24-30 910 840 24-36
    800 32 190 525 1488 750 975 920 24-30 1015 950 24-33 1025 950 24-39
    900 36 203 620 1615 1250 1075 1020 24-30 1115 1050 28-33 1125 1050 28-39
    1000 40 216 725 1765 1500 1175 1120 28-30 1230 1160 28-36 1255 1170 28-42
    1200 48 254 780 1976 1500 1405 1340 32-33 1455 1380 32-39 1485 1390 32-48
     

    声明:【D671J气动衬胶蝶阀】规格型号、结构尺寸由广发体育,广发(中国)提供,如何选择适用的D671J气动衬胶蝶阀产品,使之在工艺控制中安全可靠、经济适用,可致电我司销售部门及技术部门,我们将在最短的时间内为您解答!

    

    Copyright ©2011-2023 广发体育,广发(中国),版权所有。 沪ICP备11046016号-29 网站地图

    销售电话:021-31001158

    手机号码:13816746668 陈国辉/经理

    电子邮件:klkvalves@126.com@126.com

    主营产品:球阀,闸阀,蝶阀,截止阀,止回阀,调节阀

    本周热门:不锈钢阻火器全天候呼吸阀气动球阀气动蝶阀气动刀闸阀气动调节阀电动球阀电动蝶阀电动刀闸阀电动调节阀不锈钢球阀不锈钢闸阀不锈钢截止阀不锈钢止回阀不锈钢电磁阀高压电磁阀高压球阀波纹管截止阀

    官方网址:www.raphc.com